Atmel ATmega16 ATmega 16 16A DIP 40 Pin IC Chip Microcontroller Mikro | Shopee Indonesia

Introduction to Atmega16 - The Engineering Projects

JENDELA DUNIA: MICROCONTROLLER ATMEGA 16

ATMEGA16 (40-pin) Microcontroller

ATMega16 Pin Diagram, Configuration, Features & Datasheet

Jual Mikrokontroler ATMEGA 16 AVR Tipe ATMEGA16 di Lapak Gelar Lapak | Bukalapak
spare part IC PROGRAM ATMEGA16 | IC PROGRAM POM MINI | IC PROGRAM PERTAMINI TERMURAH | Shopee Indonesia

Keepstrong!: Arsitektur Atmega16

ATmega16 Pin Diagram | ATmega16 Block Diagram & Description

ATmega16 Microcontroller : Pin Diagram, Features, and Its Applications

ATmega16 Microcontroller Pinout, Programmming, Features, Applications

ATmega16 Datasheet - 8-bit AVR Microcontroller - DataSheetCafe.com

Jual Mikrokontroler ATMEGA 16 AVR Tipe ATMEGA16 di Lapak Anggun Wibowo | Bukalapak

File:ATmega16.jpg - Wikipedia

ATmega16 | Microchip Technology

About ATmega16 - Code For Free

ATMEGA16 Technical Data

Microcontroller ATMega16 Circuit 2.4 Pemrograman Mikrokontroler. | Download Scientific Diagram

ATmega16 Microcontroller : Pin Diagram, Features, and Its Applications

Dasar teori ATMega16 – TECHNOLOGY

Amazon.in: Buy Embeddinator AVR ATMega16/32 Microcontroller Development Board Online at Low Prices in India | Embeddinator Reviews & Ratings

ATMEGA16 Microcontroller : rhydoLABZ INDIA

ATMEGA16-16PU Microchip - Microcontrollers - Distributors, Price Comparison, and Datasheets | Octopart component search

Kaili’s Home: Teori AT MEGA 16

ATMEGA16-16PU - Digiware Store

Pin Diagram of ATMEGA16 | Download Scientific Diagram

ATmega16 Pin Diagram & Description - Electronics For You

Digital Clock using AVR Atmega16 Microcontroller - ATMega32 AVR
JURNAL ILMIAH BINALITA SUDAMA MEDAN

Baskara Blog: Dasar Teori ATMega16
Atmega 16A PU Atmega16A-PU Atmega16 16 ATmel microcontroller mikrokontroller IC | Shopee Indonesia
ATMEGA16-16AU Datasheet(PDF) - ATMEL Corporation

How to Program AVR Microcontroller Atmega16 Using USBASP programmer and Atmel Studio 7.0

Introduction to Atmega16 - The Engineering Projects

Jual Trainer Mikrokontroler AVR ATmega16 - Kota Surabaya - johari_shopp | Tokopedia

Atmega16 Microconntroller Data sheet

Membuat Flip Flop Berbasis Mikrokontroler Atmega16 | Ajat Didik Budiansyah
ATMEGA16 Datasheet(PDF) - ATMEL Corporation
MENGENAL MIKROKONTROLER AVR ATMega16

Monitoring Suhu dengan LM35 dan Mikrokontroler ATmega16

C Programming and the ATmega16

Kendali Motor DC dengan Metode PWM Berbasis Mikrokontroler ATMEGA16 | Ajat Didik Budiansyah

Cara Upload Arduino Code ke Microcontroller ATMega16 - blog zdienos

Open Library - Pemrograman mikrokontroler AVR Atmega 16 menggunakan bahasa C, Edisi Revisi

ATMEGA16-16PU | MICROCHIP AVR Microcontroller | SOS electronic

Pembuatan Datalogger Berbasis Mikrokontroler Atmega 16 untuk Monitoring Volume Air yang Masuk Melalui Saluran Meteran Air Rumah Tangga Menggunakan Water Flow Sensor

How to use ADC in AVR Microcontroller ATmega16 | Circuit Digest

ATMEGA16-16AU Microchip - Microcontrollers - Distributors, Price Comparison, and Datasheets | Octopart component search

ATmega16 Microcontrollers buy online in India - Robomart
ATMEGA16A-PU ATMEGA16A ATMEGA16 DIP ATMEL AVR DIP-40 40PIN AT-MEGA16 MIKROKONTROLER MICROCONTROLLER | Lazada Indonesia

Termometer Digital 4 Tampilan dg ATmega16

ATmega16 | Microchip Technology

Open Library - Pemrograman Mikrokontroler AVR ATmega16 Menggunakan Bahasa C (CodeVisionAVR) revisi kedua

ATmega16 AVR Test Board for Beginners – Electronics Projects Circuits

ATmega16 Pin Diagram | ATmega16 Block Diagram & Description

ATmega16/32 Development Board - Electronics-Lab.com

Dasar teori ATMega16 – TECHNOLOGY

Teknik Elektro: Rangkaian Minimum System Mikrokontroller ATmega16/32/8535

AVR Based CRO using Atmega16 microcontroller - ATMega32 AVR

Panduan Praktikum Mikrokontroler AVR ATmega16 (Indonesian Edition): Budiharto, Widodo: 9789792720419: Amazon.com: Books

Gratis Pengiriman ATMEGA16 Pengembangan Papan AVR Mikrokontroler Belajar Papan + ISP Programmer|board board|programmable boardprogrammer isp - AliExpress

Traffic Light Miniature Menggunakan Microcontroller Atmega16

Monitoring Suhu dengan LM35 dan Mikrokontroler ATmega16

Jual mikrokontroler development board AVR system minimum ATMEGA 8535 ATMEGA16 ATMEGA32 di Lapak Rycan Technology | Bukalapak

What is ATMega Microcontrollers & How to Make a Simple Project with it?

ic atmega16 atmega 16 atmega16a-pu - Tokopedia.com | inkuiri.com

Cara Membuat Skematik Rangkaian Sistem Minimum Atmega16 Pakai Software Eagle

Jual Atmega 16 Terlengkap - Harga Murah October 2021

Introduction to Atmega16 - The Engineering Projects

Dasar teori ATMega16 – TECHNOLOGY

Baskara Blog: Dasar Teori ATMega16

ATmega16 Microcontroller Pinout, Programmming, Features, Applications

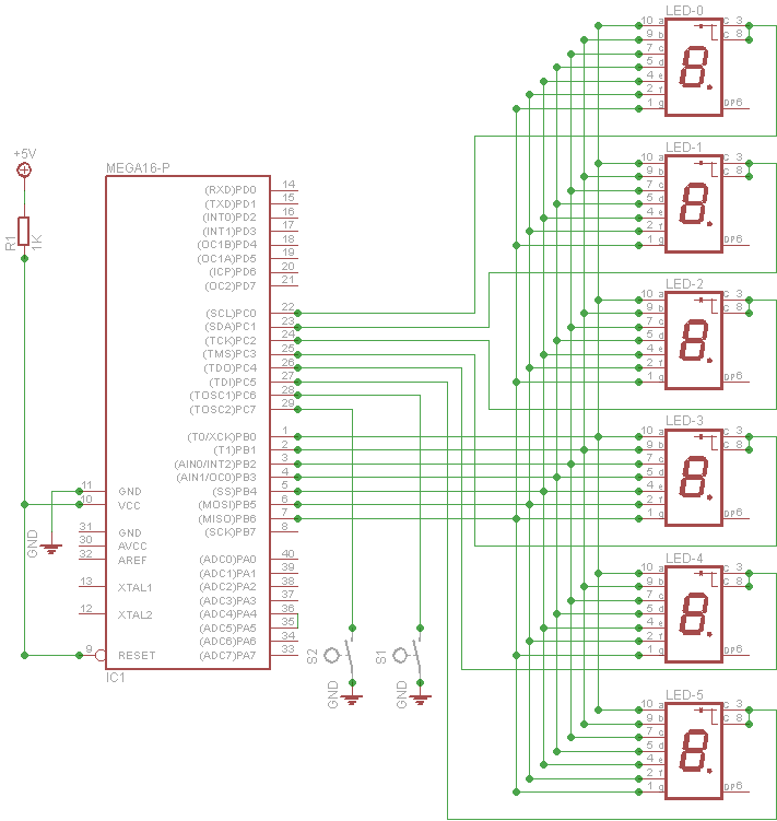
ATMega16 AVR Microcontroller Seven Segment Digital Clock - ATMega32 AVR
Circuit diagram of the processing unit The ATMega16 microcontroller… | Download Scientific Diagram

Chip Mcu Atmega32-16au Atmega32 Atmega 16 Qfp44 - Buy Atmega32,Atmega,Atmega 16 Product on Alibaba.com

Interfacing ESP8266 NodeMCU with AVR Microcontroller ATmega16 to Send an Email

Controller : ATMEGA 16

Jual New PromO ATMEGA16A-AU SMD ATMEGA 16 ATMEL AVR MICROCONTROLLER ATMEGA16 TQFP-44 di Lapak UD Gampang Rejeki | Bukalapak

Sending Email using Atmega16 with ESP8266

microcontroller avr minimum system atmega16, 32, 8535 (AT-MO production) - YouTube
![]()
Top PDF Microcontroller IC ATMega 16 - 123dok.com

MENGENAL MIKROKONTROLER AVR ATMega16 - PDF Download Gratis

51 + AVR microcontroller AT89S52 ATMEGA16 Combo learning board development board supporting tutorial|atmega16|atmega16 boardatmega16 programmer - AliExpress

Running LED dengan Kontrol AT-Mega 16

Jual Trainer Mikrokontroler At Mega 16 atau 32 atau 8535 - Kota Yogyakarta - Raheeshjaya158 | Tokopedia

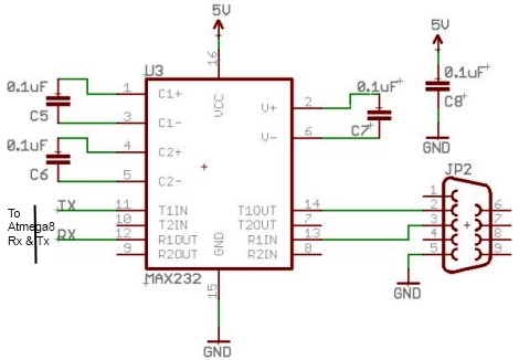
Fungsi Pin MISO, MOSI, dan SCK Mikrokontroller - Elang Sakti

Membuat Flip Flop Berbasis Mikrokontroler Atmega16 | Ajat Didik Budiansyah

atmega16a-au smd atmega 16 atmel avr microcontroller atmega16 tqfp-44 - Bukalapak.com | inkuiri.com

ATMEGA16 Technical Data
PENJEMUR OTOMATIS BERBASIS MICROCONTROLLER ATMEGA 16 - Repository Universitas PGRI Yogyakarta

Cara Membuat Skematik Rangkaian Sistem Minimum Atmega16 Pakai Software Eagle

Avr Atmega Atmega16 Interface With Esp8266 Module | Avr Atmega
![]()
Top PDF Microcontroller IC ATMega 16 - 123dok.com
IC ATMega16A ATmega 16 AU SMD | Shopee Indonesia

Buzzer Interfacing with AVR ATmega16 Microcontroller | ABLab Solutions | Microcontrollers, Circuit diagram, Interfacing

Digital Melody player using atmega16 microcontroller - ATMega32 AVR
PENJEMUR OTOMATIS BERBASIS MICROCONTROLLER ATMEGA 16 - Repository Universitas PGRI Yogyakarta

Belajar Mikrokontroler untuk Pemula

Review Buku Mikrokontroler | SMK Negeri 3 Kota Batu

Buy Atmega16/Atmega32 Project Development Board : ElementzOnline …