
4 PEMROGRAMAN G02 DAN G03 - YouTube
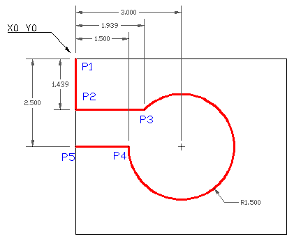
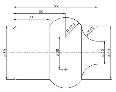
1 MATERI PPM APLIKASI FUNGSI G02 DAN G03 MESIN BUBUT CNC A. Pendahuluan Memrogram mesin NC/CNC adalah memasukkan data ke kompute
1 MATERI PPM APLIKASI FUNGSI G02 DAN G03 MESIN BUBUT CNC A. Pendahuluan Memrogram mesin NC/CNC adalah memasukkan data ke kompute

Mesin Idaman Ku: CARA MEMBUAT RADIUS ( R ) DENGAN G02

Contoh Program Cnc

Pemrograman Mesin CNC | Jasa | Bengkel | Mesin | Bubut CNC

Fungsi Kerja G dalam Program CNC (2) – BukuSekolah.Net

Cnc Programming

MEMPROGRAM MESIN NC/CNC (DASAR) - ppt download

DOWNLOAD | TUGAS INDIVIDU RADIUS G02 dan G03 JOB CNC TURNING

Dasar Pemrograman Mesin Bubut CNC Type GSK 928 TE - PDF Download Gratis

Memprogram mesin cnc_dasar

G02 G03 G Code Circular Interpolation Example Program - Helman CNC

MEMAHAMI MESIN CNC DASAR -12.5 – CV. Jaya Presisi Engineering
Soal Gerakan Searah Jarum Jam (G02) - Teknik Pemesinan

MEMAHAMI MESIN CNC DASAR -12.5 – CV. Jaya Presisi Engineering

Cnc Programming

CARA PEMPROGRAMAN CNC TU 2A (BUBUT) - YouTube
Latihan dan Pembahasan Soal UNBK Program CNC

Fungsi Kerja G dalam Program CNC (2) – BukuSekolah.Net

Contoh Program Cnc

Bahasa, Metode dan Struktur Program CNC | JangkaSorong.co.id

Mempelajari Dasar-Dasar Pemrograman Mesin Bubut CNC

Mempelajari Dasar-Dasar Pemrograman Mesin Bubut CNC

Fungsi Kerja G dalam Program CNC (2) – BukuSekolah.Net

Aplikasi G-Code G00 G01 G02 & G03 - Pergerakan lurus dan melingkar pada mesin CNC Milling (Frais) - YouTube

Dasar pemrograman untuk mesin bubut cnc dengan gsk 928TE_Rev1
40 Soal Teori Produktif Teknik Pemesinan Kelas XII dan Kunci Jawabannya - Teknik Pemesinan
![]()
aplikasi fungsi g02 dan g03 pada mesin cnc

Pemrograman mesin bubut CNC OLEH: DR. B. SENTOT WIJANARKA, M.T. - ppt download

mesin cnc-Flip eBook Pages 1 - 50| AnyFlip | AnyFlip

Cnc Programming
![1 MATERI PPM APLIKASI FUNGSI G02 DAN G03 MESIN BUBUT … - [PDF Document]](https://i2.wp.com/demo.fdokumen.com/img/378x509/reader024/reader/2021010810/587f3e041a28ab2b6f8c43d6/r-1.jpg)
1 MATERI PPM APLIKASI FUNGSI G02 DAN G03 MESIN BUBUT … - [PDF Document]
![]()
aplikasi fungsi g02 dan g03 pada mesin cnc

KEGIATAN BELAJAR : Membuat Program di Mesin Bubut CNC - PDF Download Gratis

Bahasa, Metode dan Struktur Program CNC | JangkaSorong.co.id
1 PRINSIP PEMROGRAMAN BENTUK RADIUS PADA MESIN BUBUT CNC (Fungsi G02/G03) Oleh: Dr. Dwi Rahdiyanta FT-UNY A. Pendahuluan Memrogr

1 MATERI PPM APLIKASI FUNGSI G02 DAN G03 MESIN BUBUT
(PPT) Materi 7. Mengoperasikan CNC Dasar | PDF

Dasar pemrograman untuk mesin bubut cnc dengan gsk 928TE_Rev1

Memprogram mesin cnc_dasar
40 Soal Teori Produktif Teknik Pemesinan Kelas XI dan Kunci Jawabannya - Teknik Pemesinan
Gerak Interpolasi Melingkar | PDF

MEMPROGRAM MESIN NC/CNC (DASAR) - ppt download
Pengertian Mesin CNC, G Code dan M Code - tukanggambar3d

Tutorial Pengoperasian dan Pemrograman Mesin Bubut CNC GSK 928 TE - PDF Free Download

2 Pemrograman manual cnc menggunakan G71, G01,G02 pada simulator CNC swansoft Fanuc OiT - YouTube

Banksoal Pilihan Ganda Mesin Bubut Dan Jawabannya - Revisi Id
![]()
aplikasi fungsi g02 dan g03 pada mesin cnc

Mempelajari Dasar-Dasar Pemrograman Mesin Bubut CNC

Dasar pemrograman untuk mesin bubut cnc dengan gsk 928TE_Rev1

Fungsi Kerja G dalam Program CNC (2) – BukuSekolah.Net

Contoh Program Cnc

Program dan Bagian Program CNC | Samudera Biru Laut
![Memprogram Mesin Cnc Dasar - [PDF Document]](https://i0.wp.com/demo.fdokumen.com/img/378x509/reader024/reader/2021022206/5571f3cf49795947648e9ee4/r-1.jpg)
Memprogram Mesin Cnc Dasar - [PDF Document]

G02 G03 Programming Example - Helman CNC

Pemrograman mesin bubut CNC OLEH: DR. B. SENTOT WIJANARKA, M.T. - ppt download
Pemrograman CNC Turning
Soal membuat program cnc - Teknik Pemesinan
![]()
PDF) MESIN BUBUT CNC ET 242 | Moch Arifin Mulya - Academia.edu
![bab 4 pemrograman mesin bubut cnc - [PDF Document]](https://i2.wp.com/demo.dokumen.tech/img/378x509/reader025/reader/2021042902/5a6613e27f8b9a214f8b51a1/r-1.jpg)
bab 4 pemrograman mesin bubut cnc - [PDF Document]
![METODE PEMBUATAN PROGRAM CNC (CNC Machine) ? ‚ Gambar 4 merupakan contoh proses yang … PENGENALAN PROGRAM CNC . Mesin CNC baik mesin bubut maupun mesin … Koordinat absolut - [PDF Document]](https://i3.wp.com/demo.vdocuments.net/img/378x509/reader018/reader/2019122721/5a7861097f8b9a77438c10a7/r-1.jpg)
METODE PEMBUATAN PROGRAM CNC (CNC Machine) ? ‚ Gambar 4 merupakan contoh proses yang … PENGENALAN PROGRAM CNC . Mesin CNC baik mesin bubut maupun mesin … Koordinat absolut - [PDF Document]
Aplikasi Fungsi g02 Dan g03 Pada Mesin CNC | PDF

Dasar Pemrograman Mesin Bubut CNC Type GSK 928 TE - PDF Download Gratis

CARA MEMPROGRAM CNC TU 3A (MILL) - YouTube

Mempelajari Dasar-Dasar Pemrograman Mesin Bubut CNC

Dasar pemrograman untuk mesin bubut cnc dengan gsk 928TE_Rev1
![]()
mesin cnc-Flip eBook Pages 1 - 50| AnyFlip | AnyFlip
![1 MATERI PPM APLIKASI FUNGSI G02 DAN G03 MESIN BUBUT … - [PDF Document]](https://i1.wp.com/demo.fdokumen.com/img/378x509/reader024/reader/2021010810/587f3e041a28ab2b6f8c43d6/r-2.jpg)
1 MATERI PPM APLIKASI FUNGSI G02 DAN G03 MESIN BUBUT … - [PDF Document]

Pemrograman mesin bubut CNC OLEH: DR. B. SENTOT WIJANARKA, M.T. - ppt download

Dasar Pemrograman Untuk Mesin Bubut CNC Dengan GSK 928 TE-Rev1_2
![]()
Top PDF aplikasi fungsi g02 dan g03 pada mesin cnc - 123dok.com

Contoh Program Cnc
BAB 12 MEMAHAMI MESIN CNC DASAR
1 MATERI PPM APLIKASI FUNGSI G02 DAN G03 MESIN BUBUT CNC A. Pendahuluan Memrogram mesin NC/CNC adalah memasukkan data ke kompute
PROGRAM CNC: Pemrograman Mesin CNC

CNC G02 Circular Interpolation Clockwise CNC Milling Sample Program | Cnc programming, Cnc, Cnc mill
CNC M11 | PDF

Bahasa, Metode dan Struktur Program CNC | JangkaSorong.co.id

MODUL PRAKTIKUM PROSES DAN SISTEM PRODUKSI. CNC- Computer Numerical Control Oleh : Arief Darmawan - PDF Download Gratis

PELATIHAN PEMROGRAMAN MESIN CNC FANUC UNTUK GURU SMK DIY
![]()
Macam macam kode cnc bubut

Dasar pemrograman manual #G02 dan #G03 pada mesin bubut CNC - YouTube
![Tutorial Pengoperasian dan Pemrograman Mesin Bubut CNC Pemrograman…G. Mode Parameter 12 … Langkah-langkah untuk menghidupkan mesin CNC … kompensasi pahat dengan kode pergantian - [PDF Document]](https://i2.wp.com/static.dokumen.tech/img/1200x630/reader024/reader/2021010222/5a86eacf7f8b9a882e8d4e17/r-1.jpg?t=1630268798)
Tutorial Pengoperasian dan Pemrograman Mesin Bubut CNC Pemrograman…G. Mode Parameter 12 … Langkah-langkah untuk menghidupkan mesin CNC … kompensasi pahat dengan kode pergantian - [PDF Document]
BAB 12 MEMAHAMI MESIN CNC DASAR

Contoh persiapan untuk mesin CNC. Menyusun program bubut CNC dengan contoh

Mempelajari Dasar-Dasar Pemrograman Mesin Bubut CNC
![METODE PEMBUATAN PROGRAM CNC (CNC Machine) ? ‚ Gambar 4 merupakan contoh proses yang … PENGENALAN PROGRAM CNC . Mesin CNC baik mesin bubut maupun mesin … Koordinat absolut - [PDF Document]](https://i0.wp.com/demo.vdocuments.net/img/378x509/reader018/reader/2019122721/5a7861097f8b9a77438c10a7/r-2.jpg)
METODE PEMBUATAN PROGRAM CNC (CNC Machine) ? ‚ Gambar 4 merupakan contoh proses yang … PENGENALAN PROGRAM CNC . Mesin CNC baik mesin bubut maupun mesin … Koordinat absolut - [PDF Document]

Contoh Program G Code Cnc Turning Bubut Proses Poros Bertingkat Mp3 Download - The Single Best Strategy To Use For video music dowload – MusiXnergizer

Pelajaran CNC SMK Kelas XI: CNC Milling

Pengertian Mesin CNC, G Code dan M Code - tukanggambar3d
Soal membuat program cnc - Teknik Pemesinan
PPT) Materi 7. Mengoperasikan CNC Dasar | PDF

40 Soal & Jawaban Teknik Pemesinan NC.CNC & CAM Kelas 12

Materi 4. Menulis Program di Mesin Bubut CNC (membuka, menulis, dan mengedit program CNC) - PDF Free Download

METODE PEMBUATAN PROGRAM CNC (CNC Machine) ? · Gambar 4 merupakan contoh proses yang … PENGENALAN PROGRAM CNC .
Dasar Pemrograman Mesin Bubut CNC Type GSK 928 TE
![Module turning lm 250 ok - [PPT Powerpoint]](https://i3.wp.com/cdn.vdokumen.com/img/1200x630/reader015/image/20191019/55c7952bbb61ebad6f8b472e.png?t=1620103618)
Module turning lm 250 ok - [PPT Powerpoint]
PENGEMBANGAN ALGORITMA SETTING DAN SUB-‐ ROUTINE PEMROGRAMAN MESIN CNC (MILLING)

Pemrograman Cnc Siklus G70 Dan G71 Mp3 Download - Not known Facts About video music dowload – MusiXnergizer