
Mikrometer Sekrup - Cara Menggunakan, Cara Membaca, Contoh Soal

7 Cara Membaca Mikrometer Sekrup, Ketahui Fungsi Hingga Bagiannya | merdeka.com

√ Mikrometer Sekrup : Pengertian, Fungsi, Cara Membaca - Teknikece

Cara Membaca Mikrometer Sekrup

Mikrometer Sekrup: Kegunaan,Jenis,Bagian,Fungsi Dan Juga Prinsipnya

Cara Membaca Mikrometer Sekrup
Micrometer Sekrup - Pengertian, Kegunaan, Jenis dan Cara Kerja - AutoExpose

Mikrometer Sekrup - Bagian, Fungsi, Cara Membaca, Cara Menggunakan
![Supaya Tepat] Berikut Cara Menggunakan Mikrometer Sekrup Yang Benar](https://i1.wp.com/i2.wp.com/disiniaja.net/wp-content/uploads/2016/12/Micrometer.gif?resize=663%2C320 )
Supaya Tepat] Berikut Cara Menggunakan Mikrometer Sekrup Yang Benar

5 Contoh Cara Membaca Mikrometer Sekrup, Lengkap!!! - diedit.com

7 Cara Membaca Mikrometer Sekrup, Ketahui Fungsi Hingga Bagiannya | merdeka.com

Mikrometer Sekrup - Bagian, Fungsi, Cara Membaca, Cara Menggunakan
PERAGA MIKROMETER SEKRUP BRAILLE UNTUK SISWA TUNANETRA

5 Contoh Cara Membaca Mikrometer Sekrup, Lengkap!!! - diedit.com

Cara Membaca Mikrometer Sekrup, Cara Menghitung dan Kegunaannya - Berbagi Cerita, Opini, Edukasi dan Hiburan

Mikrometer Sekrup: Kegunaan, Jenis, Bagian dan Fungsi serta Prinsip Kerja | FISIKABC

Mikrometer Sekrup - Cara Menggunakan, Cara Membaca, Contoh Soal

Cara Membaca Mikrometer Sekrup

Mikrometer Sekrup : Pengertian, Fungsi & Cara Menggunakan

Mikrometer Skrup: Pengertian, Macam-Macam, dan Cara Membaca Mikrometer Skrup - Sihat Jok

Cara Membaca Mikrometer Sekrup

Mikrometer Sekrup: Definisi, Bagian, Jenis, dan Prinsip Kerjanya

7 Cara Membaca Mikrometer Sekrup, Ketahui Fungsi Hingga Bagiannya | merdeka.com

Pengukuran Mikrometer Sekrup – Fisika Indonesia

Mikrometer Sekrup - Fisika Kelas 10 - Quipper Blog

√ Cara Membaca dan Menghitung Mikrometer Sekrup

Mikrometer Sekrup - Cara Menggunakan, Cara Membaca, Contoh Soal

4 Fungsi Mikrometer Sekrup dan Jenisnya yang Harus Anda Ketahui

Fungsi Mikrometer Sekrup dan Gambar

Mikrometer Sekrup, Fungsi, Cara Membaca, Cara Mengukur & Contoh Soal – Mamikos Info

Fungsi Mikrometer Skrup, Bagian-bagian, dan Cara Membacanya

Mengenal Mikrometer Sekrup dan Cara Penggunaannya + Contoh Soal - RumusHitung.Com

Cara Membaca Mikrometer Sekrup | idschool

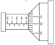
Skala Utama Dan Skala Nonius

Mikrometer Luar / Mikrometer Sekrup : Fungsi, Bagian, Jenis Dan Cara Menggunakannya - Otosigna99
Fungsi Mikrometer Sekrup | PDF

Fungsi Mikrometer Sekrup | Harian Nusantara
Bagian – Bagian Mikrometer Sekrup Beserta Fungsi + Gambar - AutoExpose

√ Mikrometer Sekrup (Gambar, Cara Memakai, Soal)

√ Mikrometer Sekrup : Penjelasan Cara Menggunakan dan Cara Membaca

Mikrometer Sekrup - Fisika Kelas 10 - Quipper Blog

Mikrometer - Wikipedia bahasa Indonesia, ensiklopedia bebas

Mikrometer Sekrup, Fungsi, Cara Membaca, Cara Mengukur & Contoh Soal – Mamikos Info

Cara Menggunakan Mikrometer Sekrup Dan Contoh Soalnya

Mikrometer Sekrup - Bagian, Fungsi, Cara Membaca, Cara Menggunakan

Pengertian, Fungsi dan Cara Menggunakan Mikrometer Sekrup

Micrometer itu ditemukan oleh siapa? | PT. Indonesia Surya Sejahtera

Mikrometer Sekrup Vernier cara ukurnya bagaimana? | PT. Indonesia Surya Sejahtera

√ Mikrometer Sekrup : Pengertian, Fungsi, Cara Membaca - Teknikece

Pengertian, Fungsi dan Cara Menggunakan Mikrometer Sekrup

Mikrometer Sekrup, Fungsi, Cara Membaca, Cara Mengukur & Contoh Soal – Mamikos Info

Fungsi dan Cara menggunakan Mikrometer Sekrup – Ralali.com

Gambar Mikrometer Sekrup

√ Mikrometer Sekrup : Pengertian, Fungsi, Cara Membaca - Teknikece
![]()
Mikrometer - Wikipedia bahasa Indonesia, ensiklopedia bebas

Mikrometer Sekrup - Pengertian, Bagian, Cara Membaca & Menggunakan

Cara Membaca Mikrometer Sekrup
![]()
DOC) Alat Ukur Panjang: Mistar, Jangka Sorong, dan Mikrometer | Roro Kemuningsari - Academia.edu

5 Contoh Cara Membaca Mikrometer Sekrup, Lengkap!!! - diedit.com

Ketelitian Mikrometer Sekrup, Bagian-bagian dan Cara Penggunaannya

√ Mikrometer Sekrup : Pengertian, Fungsi, Cara Membaca - Teknikece

Mikrometer Sekrup, Fungsi, Cara Membaca, Cara Mengukur & Contoh Soal – Mamikos Info

Mikrometer Sekrup - Bagian, Fungsi, Cara Membaca, Cara Menggunakan

Cara Membaca Jangka Sorong dan Mikrometer Sekrup yang Benar - Hot Liputan6.com

Mikrometer Sekrup - Fisika Kelas 10 - Quipper Blog

√ Cara Membaca dan Menghitung Mikrometer Sekrup

Mikrometer Sekrup - Pengertian, Bagian, Cara Membaca & Menggunakan

Cara Membaca Mikrometer Sekrup, Cara Menghitung dan Kegunaannya - Berbagi Cerita, Opini, Edukasi dan Hiburan
![]()
pengukuran dengan jangka sorong dan mikrometer

Mikrometer Sekrup: Definisi, Bagian, Jenis, dan Prinsip Kerjanya
Bagian – Bagian Mikrometer Sekrup Beserta Fungsi + Gambar - AutoExpose

√ Mikrometer Sekrup (Gambar, Cara Memakai, Soal)

KELOMPOK 3 : MIKROMETER SEKRUP,FEELER GAUGE,TORQUE WRENCH - ppt download

√ Mikrometer Sekrup : Penjelasan Cara Menggunakan dan Cara Membaca

Cara Membaca Mikrometer Sekrup | idschool

Mengenal Mikrometer Sekrup dan Cara Penggunaannya + Contoh Soal - RumusHitung.Com

Modul, Rumus, & Soal Alat Ukur Panjang | Wardaya College

KK E KELAS AWAL KAJIAN MATERI IPA Pages 51 - 100 - Flip PDF Download | FlipHTML5
Cara Membaca Pengukuran Mikrometer Sekrup - Mealabs Alat Ukur

College Part I De nisi .pembacaan hasil pengukuran dengan jangka sorong. 3. Mikrometer Sekrup Mikrometer

Mikrometer adalah alat ukur yang dapat melihat dan mengukur benda dengan satuan ukur yang memiliki ketelitian 0.01 mm - PDF Free Download
![]()
Mikrometer - Wikipedia bahasa Indonesia, ensiklopedia bebas

Mikrometer Sekrup (Micrometer Screw)

Fungsi Mikrometer Sekrup | Harian Nusantara

√ Cara Membaca dan Menghitung Mikrometer Sekrup

Fungsi Mikrometer Skrup, Bagian-bagian, dan Cara Membacanya

15+ Macam Macam Alat Ukur dan Fungsinya Beserta Gambarnya - Salamadian

Alat Ukur Panjang Mistar, Jangka Sorong, Mikrometer dan Cara Menggunakannya

Cara Membaca Jangka Sorong dan Mikrometer Sekrup yang Benar - Hot Liputan6.com
![]()
Laporan Praktikum Fisika Mikrometer Sekr

KELOMPOK 3 : MIKROMETER SEKRUP,FEELER GAUGE,TORQUE WRENCH - ppt download

Mikrometer Sekrup - Fisika Kelas 10 - Quipper Blog

Cara Menggunakan Mikrometer Sekrup dan Cara Membaca Skalanya

√ Cara Membaca dan Menghitung Mikrometer Sekrup

Cara Pakai Jangka Sorong dan Mikrometer Sekrup | kumparan.com
![]()
Cara Menggunakan & Membaca Mikrometer Sekrup - Artikel & Materi

Cara Membaca Mikrometer Sekrup

√ Mikrometer Sekrup : Penjelasan Cara Menggunakan dan Cara Membaca

√ Mikrometer Sekrup (Gambar, Cara Memakai, Soal)
![]()
DOC) Mengukur panjang diameter, ketebalan, massa, volume, dan massa jenis uang logam Rp.1000,00 | Fathan Izzuddin - Academia.edu